DIP DIL | Reedrelais

5Vdc DIP Reed relais 1xmaak - 500E | DIP051A7212L

Meder Electronic
DIP05-1A72-12A | 19092011
kg
    Levertijd:prijs en levertijd op aanvraag | sales@brigatti.nl

  • Type relais reed
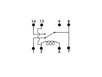
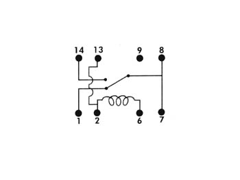
  • Contactconfiguratie SPST-NO
  • Nominale spoelspanning 5V DC
  • Max. stroom contacten 1A
  • Schakelspanning max. 200V AC, max. 200V DC
  • Spoelweerstand 500Ω
  • Vermogensverbruik via spoel 50mW
  • Montage PCB
  • Behuizing DIP14
  • Weerstand contacten 150mΩ
  • Min. spoelspanning 3.5V DC
  • Max. spoelspanning 7.5V DC
  • Werktemperatuur -20...70°C
  • Soldeertemperatuur 260°C
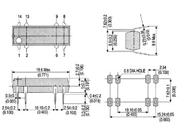
  • Buitenafmetingen 19.3x5.1x6.4mm
  • Relaisserie DIP
  • Aansluitraster 2.54mm

5Vdc DIP Reed relais 2 x maak - 200E | DIP052A7221L

Meder Electronic
DIP05-2A72-21L | 19092011
kg
    Levertijd:prijs en levertijd op aanvraag | sales@brigatti.nl

  • Type relais reed
  • Contactconfiguratie DPST-NO
  • Nominale spoelspanning 5V DC
  • Max. stroom contacten 1A
  • Schakelspanning max. 200V AC, max. 200V DC
  • Spoelweerstand 200Ω
  • Vermogensverbruik via spoel 125mW
  • Montage PCB
  • Behuizing DIP14
  • Weerstand contacten 150mΩ
  • Min. spoelspanning 3.5V DC
  • Max. spoelspanning 7.5V DC
  • Werktemperatuur -20...70°C
  • Soldeertemperatuur 260°C
  • Buitenafmetingen 19.3x7.5x7mm
  • Relaisserie DIP
  • Aansluitraster 2.54mm

5Vdc DIP Reed relais 1 x wissel - 200E | DIP051C9051L

Meder Electronic
DIP05-1C90-51L | 19092011
kg
    Levertijd:prijs en levertijd op aanvraag | sales@brigatti.nl

  • Type relais reed
  • Contactconfiguratie SPDT
  • Nominale spoelspanning 5V DC
  • Max. stroom contacten 0.5A
  • Schakelspanning max. 100V AC, max. 100V DC
  • Spoelweerstand 200Ω
  • Vermogensverbruik via spoel 125mW
  • Montage PCB
  • Behuizing DIP14
  • Weerstand contacten 150mΩ
  • Min. spoelspanning 3.5V DC
  • Max. spoelspanning 7.5V DC
  • Werktemperatuur -20...70°C
  • Soldeertemperatuur 260°C
  • Buitenafmetingen 19.3x5.1x6.4mm
  • Relaisserie DIP
  • Aansluitraster 2.54mm

12Vdc DIP Reed relais 1xmaak - 1000E | DIP121A7212L

Meder Electronic
DIP12-1A72-12L | 19092011
kg
    Levertijd:prijs en levertijd op aanvraag | sales@brigatti.nl

  • Type relais reed
  • Contactconfiguratie SPST-NO
  • Nominale spoelspanning 12V DC
  • Max. stroom contacten 1A
  • Schakelspanning max. 200V AC, max. 200V DC
  • Spoelweerstand 1kΩ
  • Vermogensverbruik via spoel 145mW
  • Montage PCB
  • Behuizing DIP14
  • Weerstand contacten 150mΩ
  • Min. spoelspanning 8.4V DC
  • Max. spoelspanning 16V DC
  • Werktemperatuur -20...70°C
  • Soldeertemperatuur 260°C
  • Buitenafmetingen 19.3x5.1x6.4mm
  • Relaisserie DIP
  • Aansluitraster 2.54mm

12Vdc DIP reed relais 2 x maak - 500E | DIP122A7221L

Meder Electronic
DIP12-2A72-21L | 19092011
kg
    Levertijd:prijs en levertijd op aanvraag | sales@brigatti.nl

  • Type relais reed
  • Contactconfiguratie DPST-NO
  • Nominale spoelspanning 12V DC
  • Max. stroom contacten 1A
  • Schakelspanning max. 200V AC, max. 200V DC
  • Spoelweerstand 500Ω
  • Vermogensverbruik via spoel 290mW
  • Montage PCB
  • Behuizing DIP14
  • Weerstand contacten 150mΩ
  • Min. spoelspanning 8.4V DC
  • Max. spoelspanning 16V DC
  • Werktemperatuur -20...70°C
  • Soldeertemperatuur 260°C
  • Buitenafmetingen 19.3x7.5x7mm
  • Relaisserie DIP
  • Aansluitraster 2.54mm

12Vdc DIP Reed relais 2xmaak - 500E met diode | DIP122A7221D

Meder Electronic
DIP12-2A72-21D | 25102012
kg
    Levertijd:prijs en levertijd op aanvraag | sales@brigatti.nl

  • Type relais reed
  • Contactconfiguratie DPST-NO
  • Nominale spoelspanning 12V DC
  • Max. stroom contacten 1A
  • Schakelspanning max. 200V AC, max. 200V DC
  • Spoelweerstand 500Ω
  • Vermogensverbruik via spoel 290mW
  • Montage PCB
  • Behuizing DIP14
  • Weerstand contacten 150mΩ
  • Min. spoelspanning 8.4V DC
  • Max. spoelspanning 16V DC
  • Werktemperatuur -20...70°C
  • Soldeertemperatuur 260°C
  • Buitenafmetingen 19.3x7.5x7mm
  • Relaisserie DIP
  • Aansluitraster 2.54mm

12Vdc DIP Reed relais 1xwissel - 500E | DIP121C9051L

Meder Electronic
DIP12-1C90-51L | 19092011
kg
    Levertijd:prijs en levertijd op aanvraag | sales@brigatti.nl

  • Type relais reed
  • Contactconfiguratie SPDT
  • Nominale spoelspanning 12V DC
  • Max. stroom contacten 0.5A
  • Schakelspanning max. 100V AC, max. 100V DC
  • Spoelweerstand 500Ω
  • Vermogensverbruik via spoel 290mW
  • Montage PCB
  • Behuizing DIP14
  • Weerstand contacten 150mΩ
  • Min. spoelspanning 8.4V DC
  • Max. spoelspanning 16V DC
  • Werktemperatuur -20...70°C
  • Soldeertemperatuur 260°C
  • Buitenafmetingen 19.3x5.1x6.4mm
  • Relaisserie DIP
  • Aansluitraster 2.54mm

24Vdc DIP reedrelais 1xmaak - 2000E | DIP241A7212L

Meder Electronic
DIP24-1A72-12L | 19092011
kg
    Levertijd:prijs en levertijd op aanvraag | sales@brigatti.nl

  • Type relais reed
  • Contactconfiguratie SPST-NO
  • Nominale spoelspanning 24V DC
  • Max. stroom contacten 1A
  • Schakelspanning max. 200V AC, max. 200V DC
  • Spoelweerstand 2kΩ
  • Vermogensverbruik via spoel 290mW
  • Montage PCB
  • Behuizing DIP14
  • Weerstand contacten 150mΩ
  • Min. spoelspanning 16.8V DC
  • Max. spoelspanning 30V DC
  • Werktemperatuur -20...70°C
  • Soldeertemperatuur 260°C
  • Buitenafmetingen 19.3x5.1x6.4mm
  • Relaisserie DIP
  • Aansluitraster 2.54mm

24Vdc DIP Reed relais 2 x maak - 2000E | DIP242A7221L

Meder Electronic
DIP24-2A72-21L | 19092011
kg
    Levertijd:prijs en levertijd op aanvraag | sales@brigatti.nl

  • Type relais reed
  • Contactconfiguratie DPST-NO
  • Nominale spoelspanning 24V DC
  • Max. stroom contacten 1A
  • Schakelspanning max. 200V AC, max. 200V DC
  • Spoelweerstand 2kΩ
  • Vermogensverbruik via spoel 290mW
  • Montage PCB
  • Behuizing DIP14
  • Weerstand contacten 150mΩ
  • Min. spoelspanning 16.8V DC
  • Max. spoelspanning 30V DC
  • Werktemperatuur -20...70°C
  • Soldeertemperatuur 260°C
  • Buitenafmetingen 19.3x7.5x7mm
  • Relaisserie DIP
  • Aansluitraster 2.54mm

24Vdc DIP Reed relais 1 x wissel - 2000E | DIP241C9051L

Meder Electronic
DIP24-1C90-51L | 19092011
kg
    Levertijd:prijs en levertijd op aanvraag | sales@brigatti.nl

  • Type relais reed
  • Contactconfiguratie SPDT
  • Nominale spoelspanning 24V DC
  • Max. stroom contacten 0.5A
  • Schakelspanning max. 100V AC, max. 100V DC
  • Spoelweerstand 2kΩ
  • Vermogensverbruik via spoel 290mW
  • Montage PCB
  • Behuizing DIP14
  • Weerstand contacten 150mΩ
  • Min. spoelspanning 16.8V DC
  • Max. spoelspanning 30V DC
  • Werktemperatuur -20...70°C
  • Soldeertemperatuur 260°C
  • Buitenafmetingen 19.3x5.1x6.4mm
  • Relaisserie DIP
  • Aansluitraster 2.54mm